
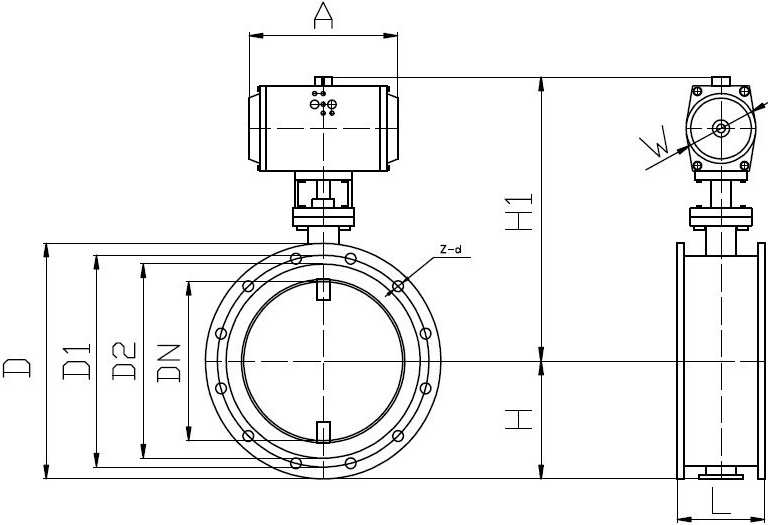
公稱通徑DN25-DN1000
公稱壓力1.6
結構形式A型、LT凸耳
連接方式對夾、法蘭
溫度范圍NBR:-30~80℃ EPDM:-30~120℃ PTFE:-30~130
概述:
氣動蝶閥由氣動執行器和中線蝶閥組成,氣動蝶閥配行程限位開關、電磁閥、三聯件及0.4-0.7MPa氣源可實現開關操作,并送出二對無源觸點信號指示閥門的開關。與電氣定位器配套,輸入4-20mADC信號及0.4-0.7MPa氣源即可實現智能控制,實現對壓力、流量、溫度、液位等參數的調節。它是以壓縮空氣為動力,閥桿帶動閥芯在閥體內轉動90℃,可以實現全開——全閉的動作。該產品按其密封性能分為金屬密封與軟密封。具有結構緊湊,體積精小,運行可靠,密封性好,維修容易,安裝方便,適應性強等優點。可廣泛應用于石油、化工、輕工、制藥、造紙、汽車等工業自動控制系統中作遠距離集中控制或就地控制。
產品特點:
閥體材質:碟閥、304、316、UPVC
閥板材質:304、316、316L、尼龍板、鋁青銅、球鐵鍍鎳
密封閥座:NBR、EPDM、PTFE
壓力等級:1.6MPa
公稱通徑:DN25-DN1000
結構形式:A型、LT凸耳式
連接方式:對夾、法蘭
電壓范圍:AC220V/110V/380V/24V 50/60HZ DC24V/12V +10%到-10%
溫度范圍:NBR:-30~80℃ EPDM:-30~120℃ PTFE:-30~130℃
氣動執行器:雙作用、單作用
氣動附件:換向電磁閥、限位開關、空氣過濾減壓閥、電氣定位器、手輪機構

